joma

  Design
design process Services include initial concept design through design development and schematic drawings. JOMA professionals work as a team with the owner, project architect, landscape architect, lighting designers and structural engineer to identify and address the full range of design constraints: site conditions, budget, end-user, construction, and maintenance.
  Mock-Ups
Mock-Ups Mock-ups of water and lighting effects are created as needed to demonstrate options to the architect and owner, as well as to fine-tune and test specific effects prior to engineering and preparation of construction drawings.
  Custom Fabrication
Mock-Ups

Custom nozzles, grates, manifolds and basins are designed for specific projects, to give a custom look or to meet specific project needs. Examples include stainless steel basins for Ocean Park Plaza (see photo at left); a custom manifold, nozzles and shroud for Wilshire Park; a copper bowl with overflow spouts and fog basin for Westfield Santa Anita; a stainless steel waterfall trough for 10100 Santa Monica; nozzles combined with lights for Screenland; and custom fog grates for Kidspace and Pacific View Mall.

 

  Engineering & Construction Documents
Engineering

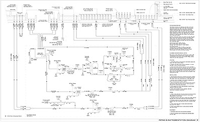
Full engineering and construction documents are produced, including basin plans and sections, basin equipment layout, equipment specifications, waterproofing, piping and instrumentation diagrams, and electrical schematics.

  Construction Assistance
Construction JOMA works with the design and construction team throughout the installation of the water feature, providing assistance with permitting, reviewing equipment submittals, responding to requests for information (RFI's), and conducting site visits during construction to monitor the installation.
  Animation programming

Content on this page requires a newer version of Adobe Flash Player.

Get Adobe Flash player

Custom animation programs can be created for various water effects, including jets, fog, and color-changing lights, either with or without music.
  Commissioning
Commissioning Prior to starting up the water feature, a site visit is conducted to verify that all equipment has been installed and wired correctly. JOMA assists with fountain start-up, including testing and adjusting all equipment, and full commissioning of the feature, completed in coordination with the fountain contractor.
  Maintenance Training
Commissioning An on-site maintenance training session is conducted after the water feature has been completed. A custom operations and maintenance manual is supplied, along with a maintenance checklist. Support is also provided as needed for maintenance issues that might arise.